
The Most Common Deutz Tractor Problem and How the Deutz Parts Catalog Helps You Fix It Faster
Deutz tractors are built for durability, but a large number of owners experience a recurring issue that causes downtime and frustration: fuel injection system malfunction. This is one of the most frequent mechanical faults across multiple models, and many repairs become unnecessarily expensive simply because the diagnostic process is done blindly.
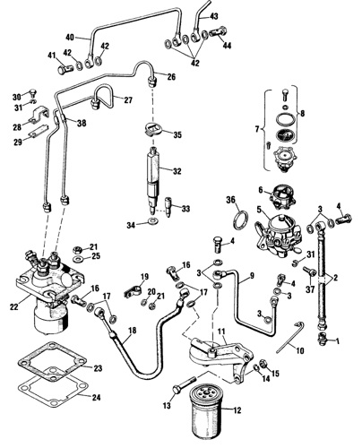
The fastest way to identify and fix this issue is by using the Deutz Parts Catalog, which provides accurate component identification and detailed diagrams for every part of the tractor.
๐ง Why Injection System Problems Are So Common
A faulty injection pump, pressure leaks, worn seals, or even incorrect part replacements can trigger a chain reaction that leads to:
- Hard starting
- Irregular engine idle
- Loss of power during heavy load
- Increased fuel consumption
- Random stalling
Because Deutz engines rely on precise fuel delivery, even a slight deviation can cause serious performance issues.
Without proper diagrams and part numbers, many owners end up replacing the wrong components โ which only deepens the problem. Have a look to our YouTube Channel.
๐ How the Deutz Parts Catalog Helps You Diagnose the Issue Correctly
The Deutz Parts Catalog is essential for anyone troubleshooting this common fuel system problem. Unlike generic guides, the catalog provides:
- Exact part numbers for injection system components
- Exploded diagrams showing how every component fits together
- Identification of seals, gaskets, and small parts that often fail
- Compatibility information for different Deutz models
- Clarification of updated or superseded part numbers
This eliminates guesswork and ensures that the right component is identified and replaced the first time problem.

โ๏ธ Combining the Parts Catalog With a Repair Manual Gives the Best Results
While the Deutz Parts Catalog helps you identify components, the repair manual shows you the correct procedures for adjustment, testing, and installation.
Using both together ensures:
- Faster troubleshooting
- Precise repair steps
- Correct torque specifications
- Proper assembly and calibration
- Reduced repair costs
This combination dramatically increases the success rate of fixing the injection pump issue.
๐ Download the Deutz Parts Catalog and Repair Manual Easily
You can access the correct, model-specific Deutz Parts Catalog and repair manual directly from:
๐ ePartsManuals.com
Here youโll find:
โ Official Deutz parts catalogs
โ Repair manuals
โ Service documentation
โ Model-specific troubleshooting resources
These documents give you everything needed to correctly diagnose and repair the most common Deutz tractor problems without unnecessary expenses.
โ๏ธ Conclusion
The fuel injection pump problem is one of the most common issues affecting Deutz tractors, but it can be solved quickly with the right technical resources. Repair manuals are essential for identifying the exact faulty components, while the repair manual guides you through the repair process.
๐ Visit Deutz Parts Catalog Manuals Page to download your Parts Book/Parts List and fix your tractor efficiently and confidently.
